Volume A
Réalisation du volume A.
Cours : Pour réaliser une forme prismatique, il faut créer une esquisse puis l'extruder.
Faire Fichier - Nouveau - Standard.ipt - Créer.
Puis commencer une esquisse 2D
et choisir un plan.
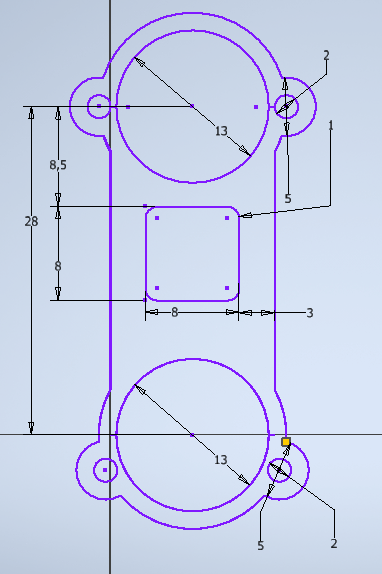
Utiliser les outils Rectangle, Cercle, Congé (pour faire les arrondis sur les bords) et Cote pour créer la vue de face.
Si nécessaire, l'outil
permet d'effacer des traits.
N.B Il est préférable de s'appuyer sur le repère centrale pour créer le premier carré.
.
|
Etape 1 - Outils rectangle et Cote |
Etape 2 - Outils cercle et Ajuster pour ôter les traits inutiles |
Etape 3 - Outil rectangle - cote - congé |
|
. |
|
|
|
Etape 4 - Outils cercle et Cote |
Etape 5 - tracer un trait au centre du cercle puis utiliser l'outil Symètrie - on aurait pu faire ça avec toute la pièce |
Etape 6 - tracer un trait à 22° passant par le centre du cercle puis utiliser les outils cercle et ajuster. Faire la symétrie comme précédemment. |
|
|
|
|

L'esquisse est maintenant terminée, faire Terminer l'Esquisse puis
.

Extruder de 7 mm.
Créé avec HelpNDoc Personal Edition: Convertir facilement des documents Word en livres électroniques avec HelpNDoc






